Stanza: Q160_131
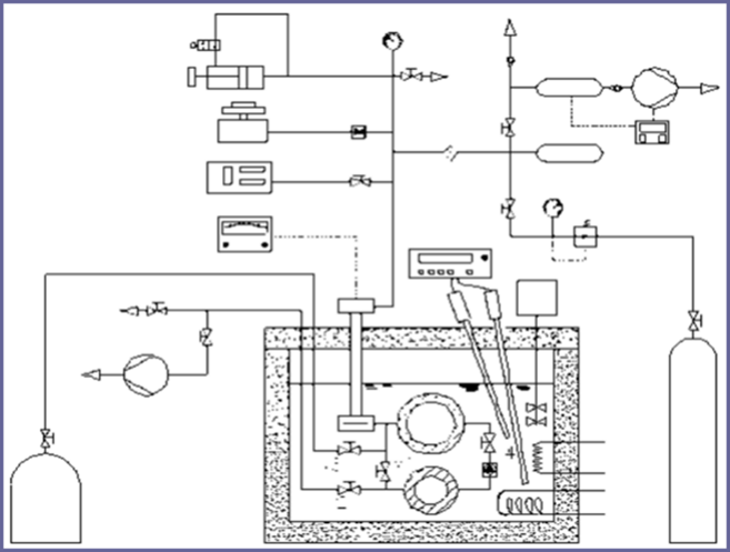
Il laboratorio di proprietà termodinamiche dei fluidi ha l’obiettivo di misurare diverse proprietà termodinamiche di diverse tipologie di fluidi, tra cui i refrigeranti a basso impatto ambientale, mediante specifici apparati sperimentali. In particolare, si determinano le proprietà termodinamiche di fluidi puri e delle loro miscele, sia nella regione bifasica sia in quella del vapore surriscaldato.
Inoltre, il laboratorio è dedicato alla caratterizzazione dell’equilibrio solido-liquido (SLE), mediante la misura del punto triplo dei fluidi puri e la determinazione delle curve di equilibrio solido-liquido e del punto eutettico delle miscele. Le misure sperimentali ottenute vengono utilizzate per lo sviluppo di modelli matematici accurati per la determinazione delle proprietà termodinamiche dei fluidi, come le equazioni di stato.
Nel laboratorio vengono realizzate misure sperimentali mediante tre tipologie di apparati:




